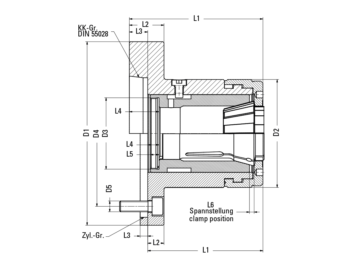
Type KSFM power-operated collet chucks
with cylindrical flange
| art. no. | cylindrical size | D1 (mm) | D2 (mm) | D3 (mm) | D4 (mm) | D5 (mm) | L1 (mm) | L2 (mm) | L3 (mm) | L4 (mm) | L5 (mm) | L6 (mm) | speed max (min-1) | steel collets | rubber collets |
| KSFM 26Z/100 | Z 100 | 112 | 85 | M50 x 1,5 | 82,6 | 3 x M10 | 97,5 | 24 | 6 | 16 | 8 | 2 | 6000 | 161 E | series 20 |
| KSFM 30Z/100 | Z 100 | 112 | 85 | M50 x 1,5 | 82,6 | 3 x M10 | 97,5 | 24 | 6 | 16 | 8 | 2 | 6000 | 163 E | series 24 |
| KSFM 40Z/88 | Z 88 | 132 | 100 | M66 x 1,5 | 115 | 6 x M8 | 113,4 | 17 | 4 | 14 | 8 | 2,5 | 6000 | 173 E | series 36 |
| KSFM 40Z/140 | Z 140 | 155 | 100 | M66 x 1,5 | 104,8 | 3 x M10 | 107,5 | 17 | 6 | 12 | 8 | 2,5 | 6000 | 173 E | series 36 |
| KSFM 60Z/115 | Z 115 | 154 | 130 | M90 x 1,5 | 136 | 8 x M8 | 127,5 | 11 | 4 | 13 | 8 | 2,5 | 5000 | 185 E | series 52 |
| KSFM 60Z/170 | Z 170 | 185 | 130 | M90 x 1,5 | 133,4 | 6 x M12 | 133 | 24 | 6 | 18,5 | 8 | 2,5 | 5000 | 185 E | series 52 |
| KSFM 60Z/220 | Z 220 | 235 | 130 | M90 x 1,5 | 171,4 | 6 x M16 | 135 | 26 | 6 | 20,5 | 8 | 2,5 | 5000 | 185 E | series 52 |
with flange for spindle-noses
| art. no. | spindle nose size | D1 (mm) | D2 (mm) | D3 (mm) | D4 (mm) | D5 (mm) | L1 (mm) | L2 (mm) | L3 (mm) | L4 (mm) | L5 (mm) | L6 (mm) | speed max (min-1) | steel collets | rubber collets |
| KSFM 26/4 | A2 - 4 | 112 | 85 | M50 x 1,5 | 82,6 | 3 x M10 | 103,4 | 30 | 13 | 22 | 8 | 2 | 6000 | 161 E | series 20 |
| KSFM 30/4 | A2 - 4 | 112 | 85 | M50 x 1,5 | 82,6 | 3 x M10 | 103,4 | 30 | 13 | 22 | 8 | 2 | 6000 | 163 E | series 24 |
| KSFM 40/5 | A2 - 5 | 135 | 100 | M66 x 1,5 | 104,8 | 4 x M10 | 123,5 | 27 | 16 | 28 | 8 | 2,5 | 6000 | 173 E | series 36 |
| KSFM 40/6 | A2 - 6 | 170 | 100 | M66 x 1,5 | 133,4 | 4 x M12 | 123,5 | 34 | 18 | 28 | 8 | 2,5 | 6000 | 173 E | series 36 |
| KSFM 60/6 | A2 - 6 | 170 | 130 | M90 x 1,5 | 133,4 | 4 x M12 | 145 | 27 | 18 | 30,5 | 8 | 2,5 | 5000 | 185 E | series 52 |
| KSFM 60/8 | A2 - 8 | 220 | 130 | M90 x 1,5 | 171,4 | 4 x M16 | 145,9 | 37,5 | 20 | 31,5 | 8 | 2,5 | 5000 | 185 E | series 52 |
| KSFM 80/8 | A2 - 8 | 220 | 156 | M114 x 2 | 171,4 | 6 x M16 | 176,4 | 35 | 19 | 41 | 11 | 6,5 | 4000 | 193 E | - |
- for spindles with rotary hydraulic or pneumatic cylinders
- for steel collets
- for rubber collets
- for using two rubber collets – one lies behind the other
- replacement parts for using smaller collets
- no axial displacement of workpieces, as tension is applied to pressure
- short changeover times, as collets can be changed using a bayonet lock


