Sleeve mandrels for type S clamping sleeves
manually operated or power driven
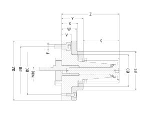
| art. no. | clamping range | A | B | C | D | E | F | S | V | W | X | Y | Z |
| MFS/KFS 00 | 15 - 20 | 100 | 75 | 75 | 40 | 54 | M10 | 31,5 | 21 | 33 | 36 | 47,5 | 79 |
| MFS/KFS 01 | 20 - 25 | 100 | 75 | 75 | 40 | 54 | M10 | 36 | 21 | 33 | 36 | 47,5 | 83,5 |
| MFS/KFS 02 | 25 - 30 | 100 | 75 | 75 | 46 | 60 | M10 | 45 | 21 | 33 | 37 | 48 | 93 |
| MFS/KFS 03 | 30 - 35 | 100 | 75 | 75 | 46 | 60 | M10 | 49 | 21 | 33 | 41 | 51,5 | 100,5 |
| MFS/KFS 04 | 35 - 40 | 100 | 75 | 75 | 46 | 60 | M10 | 59 | 21 | 33 | 36,5 | 46 | 105 |
| MFS/KFS 05 | 40 - 45 | 130 | 105 | 105 | 70 | 84 | M10 | 59 | 21 | 33 | 37,5 | 49,5 | 108,5 |
| MFS/KFS 06 | 45 - 55 | 130 | 105 | 105 | 70 | 84 | M10 | 79 | 21 | 33 | 35,5 | 47 | 126 |
| KFS 07 | 55 - 65 | 130 | 105 | 105 | 70 | 84 | M10 | 89 | 21 | 33 | 35,5 | 47 | 136 |
| KFS 08 | 65 - 82 | 160 | 130 | 130 | 83 | 103 | M12 | 99 | 23 | 35 | 35 | 47 | 146 |
| KFS 09 | 82 - 101 | 160 | 130 | 130 | 91 | 160 | M12 | 121 | 21 | 21 | / | 33 | 154 |
| KFS 10 | 101 - 120 | 160 | 130 | 130 | 87 | 160 | M12 | 138,9 | 21 | 21 | / | 37 | 176 |
| KFS 11 | 120 - 140 | 160 | 130 | 149 | 107 | 160 | M12 | 171 | 25 | 25 | / | 57 | 228 |
Spacer adaptor and clamping screw are not included in the delivery and have to be requested separately.
Internal clamping sleeves with single taper type S collets
type S
| art. no. | d | L | expansion | clamping diameter |
| S 00 | 12,99 | 35 | 1 | 14,7 to 19,7 increment of 0,5 |
| S 01 | 17,94 | 40 | 1 | 19,7 to 24,7 increment of 0,5 |
| S 02 | 21,92 | 46 | 1 | 24,7 to 29,7 increment of 0,5 |
| S 03 | 25,83 | 50 | 1 | 29,7 to 34,7 increment of 0,5 |
| S 04 | 30,52 | 60 | 1 | 34,7 to 39,7 increment of 0,5 |
| S 05 | 35,08 | 60 | 1 | 39,7 to 44,7 increment of 0,5 |
| S 06 | 39,77 | 80 | 2 | 44,7 to 54,7 increment of 1 |
| S 07 | 48,97 | 90 | 2 | 54,7 to 64,7 increment of 1 |
| S 08 | 58,02 | 100 | 2 | 64,7 to 81,7 increment of 1 |
| S 09 | 71,11 | 122 | 2 | 81,7 to 100,7 increment of 1 |
| S 10 | 85,95 | 140 | 2 | 100,7 to 110,7 increment of 1 |
| S 10 | 85,95 | 140 | 2 | 112,7 to 118,7 increment of 2 |
| S 11 | 105,64 | 180 | 2 | 119,7 to 127,7 increment of 1 |
| S 11 | 105,64 | 180 | 2 | 129,7 to 139,7 increment of 2 |
Use:
- for internal clamping when
- grinding
- turning
- concentricity control
- manually operated
- power driven
Mounting of sleeve mandrels:
- between turning centres
- at the cylindrical shank
- via Morse taper
- via cylindrical adapting and plan surface
running concentricity (truth):
- 0,01




